Пневматический тифон МИРАН ТП2075-220(24)
МИРАН ТП2075 – это пневматический тифон, предназначенный для работы на судах длиной от 20 до 75 метров. Таковыми являются рыболовные, речные, пассажирские суда, а также лодки, яхты и паромы. Данный тифон произведён группой компаний «Маринэк» и сертифицирован Российским Классификационным Обществом.
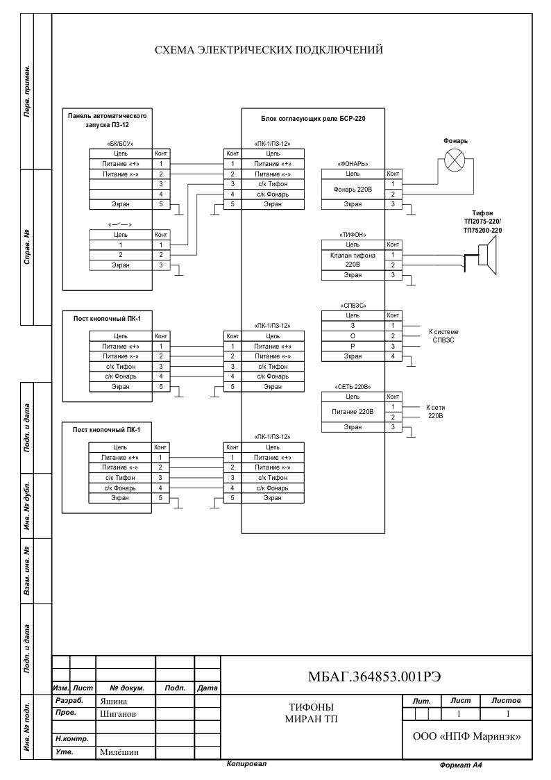
В комплект поставки входят:
- Тифон МИРАН ТП2075-220/Тифон МИРАН ТП2075-24;
- Блок согласующих реле БСР-24/БСР-220;
- Пост кнопочный ПК-1/ПК-1Н (опционально);
- Панель автоматического запуска ПЗ-12 (опционально);
- Руководство по эксплуатации.
Пост кнопочный ПК-1 и панель автоматического запуска ПЗ-12 предназначены для монтажа в пульт. ПК-1Н можно установить навесным монтажом
Тифон изготовлен из прочных и надежных материалов, способных выдержать самые сильные погодные возмущения, такие как коррозия, вибрации и т.д. Класс защиты горна соответствует IP56, а кнопочного поста ПК-1/ПК-1Н – IP66.
Диапазон основных частот составляет 250-700 Гц, Уровень звукового давления на расстоянии 1м и в 1/3 октавной полосы – не менее 130 дБ. Это позволяет добиться максимальной эффективности при подаче звуковых сигналов. Дальность слышимости звукового сигнала, производимого тифоном, достигает не менее 1 мили. Тифон будет эффективно эксплуатироваться в различных погодных и морских условиях. Масса устройства не более 20 килограмм.
Управление устройством происходит с кнопочного поста. Функционал предусматривает возможность одновременного включения фонаря и горна, для подачи световых и звуковых сигналов. Все данные о включении отображаются посредством индикаторов зелёного света. На передней панели находятся кнопки управления. С помощью них можно уменьшить и увеличить яркость подсветки, запустить сигнал, а также увидеть включенный сигнал.
ТП2075 имеет хорошо узнаваемый резкий звук, который обеспечивает эффективное оповещение.
Устройство сделано из материалов устойчивых к воздействию коррозии, износа и морской воды.
Сферы применения пневматического тифона
- Безопасность судоходства. Тифон акустически обозначает присутствие судна. Используется для подачи звуковых и световых сигналов в сложных условиях. Например, при слабой видимости или при нестабильных тяжёлых погодных условиях.
Причины купить тифон
- Наличие сертификата РКО
- Дальность слышимости не менее 1 мили
- Степень защиты IP56/66
- Устойчивость к воздействию коррозии и морской воды
- Широкий диапазон рабочих температур
|
Основные характеристики
|
|
|
Для судов
|
От 20 до 75 метров |
|
Напряжение электромагнитного клапана
|
220В(24В) |
|
Мощность, потребляемая электромагнитным клапаном
|
45 Вт |
|
Давление воздуха
|
0,98 Мпа |
|
Диапазон основных частот
|
250-700 Гц |
|
Уровень звукового давления на расстоянии 1м и в 1/3 октавной полосы не менее
|
не менее 130 дБ |
|
Дальность слышимости
|
1,0/1,9 мили/км |
|
Расход воздуха до
|
8,3*10-3 м3/с |
|
Напряжение нагревателя
|
220 В |
|
Мощность нагревателя
|
150 Вт |
|
Блок согласующих реле БСР-24
|
|
|
Номинальное рабочее напряжение
|
220В (24В) |
|
Максимальное коммутируемое напряжение
|
250 В |
|
Максимальный коммутируемый ток
|
8 А |
|
Степень защиты
|
IP22 |
|
Рабочий диапазон температур
|
-15°C…+55°C |
|
Посты кнопочные ПК-1, ПК-1Н
|
|
|
Максимальный коммутируемый ток, не менее
|
4 А |
|
Степень защиты
|
IP66 |
|
Рабочий диапазон температур
|
-40°C…+55°C |
|
Панель автоматического запуска ПЗ-12
|
|
|
Напряжение питания
|
От блока согласующих реле БСР-24 |
|
Количество генерируемых сигналов
|
12 |
|
Степень защиты
|
IP56 |
|
Рабочий диапазон температур
|
-40°C…+55°C |
* - Обращаем ваше внимание! Оборудование под брендом МИРАН имеют право устанавливать специалисты группы компаний «Маринэк», а также специалисты аккредитованных сервисных компаний. ГК «Маринэк» не несет ответственности за возможные неисправности оборудования под брендом МИРАН, которые могут возникнуть вследствие монтажа, пусконаладочных работ и/или других сервисных работ, производимых неаккредитованными компаниями.
Все технические специалисты «Маринэк» имеют необходимые допуски и аккредитацию для осуществления необходимых сервисных работ и гарантируют работоспособность устанавливаемого оборудования МИРАН, произведенное группой компаний «Маринэк».
* - Технические характеристики зависят от комплектации устройства.
Изготовитель оставляет за собой право вносить изменения в конструкцию, не влияющие на правила и условия эксплуатации, без отражения в документации. Актуальную техническую информацию уточняйте у менеджеров группы компаний "Маринэк" на info@seacomm.ru
- Тифон пневматический воздушный МИРАН ТП2075 - 1 шт.
Сервис
Техподдержка
Документы



.png)