Связь и навигация для флота от MARINEQ
Интернет-магазин представительского класса
Каталог
Навигационное оборудование
Радиолокационные станции - РЛС
АИС | Автоматическая идентификационная система
ГНСС оборудование
Компасы
Эхолоты
Погодное оборудование
Приёмники NAVTEX
Судовые компьютеры и моноблоки
Судовые сигнальные средства
Картплоттеры и МФД
ЭКНИС/ЭКС/СОЭНКИ
Картография
Регистратор данных рейса (РДР/УРДР)
Система контроля дееспособности вахтенного помощника (СКДВП)
Лаги скорости
Автопилоты, авторулевые
Прочее оборудование
Навигационные системы
Спутниковая связь
Спутниковые телефоны и терминалы
Спутниковые ТВ антенны
Всенаправленные ТВ и интернет антенны
Аксессуары
VSAT
Радиосвязь
Громкоговорящая связь | системы судовой связи
Профессиональные радиостанции
ПВ/КВ радиостанции и антенны
Авиационные радиостанции
Морские радиостанции
Речные радиостанции
Антенны
ГМССБ оборудование
Радиостанции ГМССБ
Судовые земные станции (СЗС)
Аварийные радиобуи (АРБ)
Радиолокационные ответчики (РЛО)
Аксессуары и дополнительное оборудование
Тестеры ГМССБ/АРБ/АИС
Транспортная безопасность
Оборудование для системы контроля и управления доступом (СКУД)
Оборудование для видеонаблюдения
Тепловизоры
Видеонаблюдение
Оборудование для маломерных судов | ГИМС
Системы управления безэкипажными катерами
Блоки питания | Российские
Электрооборудование
Распределительные щиты
Блоки питания и преобразователи
Зарядные устройства
Аккумуляторные батареи (АКБ)
Коробки, разъемы, кабельная продукция
Распределители и преобразователи данных
Судовая автоматика
Система контроля расхода топлива (СКРТ)
Судовая сигнализация
Судовые компьютеры и моноблоки
Управление судовыми системами
Судовые кренометры
Морская акустика
Динамики
Морские магнитолы
Акустические системы
Коаксиальные колонки
Усилители
Сабвуферы
Аксессуары
Спасательные средства
Плоты
Жилеты
Круги
Гидрокостюмы
Прочее
Дополнительное оборудование для судов
Досмотровое оборудование
О компании
Карьера
Контакты
Партнеры
Проектирование и монтаж
Монтаж и пусконаладочные работы
Оборудование ГМССБ (GMDSS)
Навигационное оборудование
Судовая автоматика
Технические средства обеспечения транспортной безопасности (ТС ОТБ)
Судовые сигнальные средства
Внутрисудовая связь и трансляция
Спутниковый и мобильный Интернет
Спутниковое и эфирное телевидение
Радиосвязь
Программирование АРБ
Проектирование
Предпроектное обследование
Разработка проектной документации
Согласование проектной документации
Сервисное обслуживание и ремонт
Береговое техническое обслуживание (БТО)
Проведение испытаний оборудования
Обслуживание | ремонт
Техническая поддержка, обучение
Техническая поддержка
Обучение
Авторизированное обучение JRC
Поиск судна по АИС MarineTraffic
Поиск судна по АИС MarineTraffic
Решения
Референсы
Документы
Бренды
Вакансии
Контакты
8 800 333 70 71
8 800 333 70 71Бесплатный звонок
info@seacomm.ru
+7 (812) 309-39-15
Написать в ТГ
Написать в MAX
Пн-Пт с 02:00 до 18:00
Заказать звонок
Задать вопрос
Войти
info@seacomm.ru
Санкт-Петербург, Двинская улица, д.12
  • Вконтакте
  • Telegram
  • RuTube
  • Дзен
  • MAX
  • Компания
  • Каталог
  • Проектирование и монтаж
  • Решения
  • Документы
  • Бренды
  • Карьера
  • Контакты
  • ...
    Войти
    8 800 333 70 71
    8 800 333 70 71Бесплатный звонок
    info@seacomm.ru
    +7 (812) 309-39-15
    Написать в ТГ
    Написать в MAX
    Пн-Пт с 02:00 до 18:00
    telegram max
    Связь и навигация для флота от MARINEQ
    • Навигационное оборудование
      • Радиолокационные станции - РЛС
      • АИС | Автоматическая идентификационная система
      • ГНСС оборудование
      • Компасы
      • Эхолоты
      • Погодное оборудование
      • Приёмники NAVTEX
      • Судовые компьютеры и моноблоки
      • Судовые сигнальные средства
      • Картплоттеры и МФД
      • ЭКНИС/ЭКС/СОЭНКИ
      • Картография
      • Регистратор данных рейса (РДР/УРДР)
      • Система контроля дееспособности вахтенного помощника (СКДВП)
      • Лаги скорости
      • Автопилоты, авторулевые
      • Прочее оборудование
      • Навигационные системы
    • Спутниковая связь
      • Спутниковые телефоны и терминалы
      • Спутниковые ТВ антенны
      • Всенаправленные ТВ и интернет антенны
      • Аксессуары
      • VSAT
    • Радиосвязь
      • Громкоговорящая связь | системы судовой связи
      • Профессиональные радиостанции
      • ПВ/КВ радиостанции и антенны
      • Авиационные радиостанции
      • Морские радиостанции
      • Речные радиостанции
      • Антенны
    • ГМССБ оборудование
      • Радиостанции ГМССБ
      • Судовые земные станции (СЗС)
      • Аварийные радиобуи (АРБ)
      • Радиолокационные ответчики (РЛО)
      • Аксессуары и дополнительное оборудование
      • Тестеры ГМССБ/АРБ/АИС
    • Транспортная безопасность
      • Оборудование для системы контроля и управления доступом (СКУД)
      • Оборудование для видеонаблюдения
      • Тепловизоры
    • Видеонаблюдение
    • Оборудование для маломерных судов | ГИМС
    • Системы управления безэкипажными катерами
    • Блоки питания | Российские
    • Электрооборудование
      • Распределительные щиты
      • Блоки питания и преобразователи
      • Зарядные устройства
      • Аккумуляторные батареи (АКБ)
      • Коробки, разъемы, кабельная продукция
      • Распределители и преобразователи данных
    • Судовая автоматика
      • Система контроля расхода топлива (СКРТ)
      • Судовая сигнализация
      • Судовые компьютеры и моноблоки
      • Управление судовыми системами
      • Судовые кренометры
    • Морская акустика
      • Динамики
      • Морские магнитолы
      • Акустические системы
      • Коаксиальные колонки
      • Усилители
      • Сабвуферы
      • Аксессуары
    • Спасательные средства
      • Плоты
      • Жилеты
      • Круги
      • Гидрокостюмы
      • Прочее
    • Дополнительное оборудование для судов
      • Досмотровое оборудование
    О компании
    • Карьера
    • Контакты
    • Партнеры
    Каталог
    • Навигационное оборудование
      • Радиолокационные станции - РЛС
      • АИС | Автоматическая идентификационная система
      • ГНСС оборудование
      • Компасы
      • Эхолоты
      • Погодное оборудование
      • Приёмники NAVTEX
      • Судовые компьютеры и моноблоки
      • Судовые сигнальные средства
      • Картплоттеры и МФД
      • ЭКНИС/ЭКС/СОЭНКИ
      • Картография
      • Регистратор данных рейса (РДР/УРДР)
      • Система контроля дееспособности вахтенного помощника (СКДВП)
      • Лаги скорости
      • Автопилоты, авторулевые
      • Прочее оборудование
      • Навигационные системы
    • Спутниковая связь
      • Спутниковые телефоны и терминалы
      • Спутниковые ТВ антенны
      • Всенаправленные ТВ и интернет антенны
      • Аксессуары
      • VSAT
    • Радиосвязь
      • Громкоговорящая связь | системы судовой связи
      • Профессиональные радиостанции
      • ПВ/КВ радиостанции и антенны
      • Авиационные радиостанции
      • Морские радиостанции
      • Речные радиостанции
      • Антенны
    • ГМССБ оборудование
      • Радиостанции ГМССБ
      • Судовые земные станции (СЗС)
      • Аварийные радиобуи (АРБ)
      • Радиолокационные ответчики (РЛО)
      • Аксессуары и дополнительное оборудование
      • Тестеры ГМССБ/АРБ/АИС
    • Транспортная безопасность
      • Оборудование для системы контроля и управления доступом (СКУД)
      • Оборудование для видеонаблюдения
      • Тепловизоры
    • Видеонаблюдение
    • Оборудование для маломерных судов | ГИМС
    • Системы управления безэкипажными катерами
    • Блоки питания | Российские
    • Электрооборудование
      • Распределительные щиты
      • Блоки питания и преобразователи
      • Зарядные устройства
      • Аккумуляторные батареи (АКБ)
      • Коробки, разъемы, кабельная продукция
      • Распределители и преобразователи данных
    • Судовая автоматика
      • Система контроля расхода топлива (СКРТ)
      • Судовая сигнализация
      • Судовые компьютеры и моноблоки
      • Управление судовыми системами
      • Судовые кренометры
    • Морская акустика
      • Динамики
      • Морские магнитолы
      • Акустические системы
      • Коаксиальные колонки
      • Усилители
      • Сабвуферы
      • Аксессуары
    • Спасательные средства
      • Плоты
      • Жилеты
      • Круги
      • Гидрокостюмы
      • Прочее
    • Дополнительное оборудование для судов
      • Досмотровое оборудование
    Проектирование и монтаж
    • Монтаж и пусконаладочные работы
      • Оборудование ГМССБ (GMDSS)
      • Навигационное оборудование
      • Судовая автоматика
      • Технические средства обеспечения транспортной безопасности (ТС ОТБ)
      • Судовые сигнальные средства
      • Внутрисудовая связь и трансляция
      • Спутниковый и мобильный Интернет
      • Спутниковое и эфирное телевидение
      • Радиосвязь
      • Программирование АРБ
      • +  ЕЩЕ 6
    • Проектирование
      • Предпроектное обследование
      • Разработка проектной документации
      • Согласование проектной документации
    • Сервисное обслуживание и ремонт
      • Береговое техническое обслуживание (БТО)
      • Проведение испытаний оборудования
      • Обслуживание | ремонт
    • Техническая поддержка, обучение
      • Техническая поддержка
      • Обучение
      • Авторизированное обучение JRC
    • Поиск судна по АИС MarineTraffic
      • Поиск судна по АИС MarineTraffic
    Решения
    • Референсы
    Документы
    Бренды
    Вакансии
    Контакты
    +  ЕЩЕ
      Связь и навигация для флота от MARINEQ
      Телефоны
      8 800 333 70 71Бесплатный звонок
      info@seacomm.ru
      +7 (812) 309-39-15
      Написать в ТГ
      Написать в MAX
      Пн-Пт с 02:00 до 18:00
      telegram max
      • О компании
        • Назад
        • О компании
        • Карьера
        • Контакты
        • Партнеры
      • Каталог
        • Назад
        • Каталог
        • Навигационное оборудование
          • Назад
          • Навигационное оборудование
          • Радиолокационные станции - РЛС
          • АИС | Автоматическая идентификационная система
          • ГНСС оборудование
          • Компасы
          • Эхолоты
          • Погодное оборудование
          • Приёмники NAVTEX
          • Судовые компьютеры и моноблоки
          • Судовые сигнальные средства
          • Картплоттеры и МФД
          • ЭКНИС/ЭКС/СОЭНКИ
          • Картография
          • Регистратор данных рейса (РДР/УРДР)
          • Система контроля дееспособности вахтенного помощника (СКДВП)
          • Лаги скорости
          • Автопилоты, авторулевые
          • Прочее оборудование
          • Навигационные системы
        • Спутниковая связь
          • Назад
          • Спутниковая связь
          • Спутниковые телефоны и терминалы
          • Спутниковые ТВ антенны
          • Всенаправленные ТВ и интернет антенны
          • Аксессуары
          • VSAT
        • Радиосвязь
          • Назад
          • Радиосвязь
          • Громкоговорящая связь | системы судовой связи
          • Профессиональные радиостанции
          • ПВ/КВ радиостанции и антенны
          • Авиационные радиостанции
          • Морские радиостанции
          • Речные радиостанции
          • Антенны
        • ГМССБ оборудование
          • Назад
          • ГМССБ оборудование
          • Радиостанции ГМССБ
          • Судовые земные станции (СЗС)
          • Аварийные радиобуи (АРБ)
          • Радиолокационные ответчики (РЛО)
          • Аксессуары и дополнительное оборудование
          • Тестеры ГМССБ/АРБ/АИС
        • Транспортная безопасность
          • Назад
          • Транспортная безопасность
          • Оборудование для системы контроля и управления доступом (СКУД)
          • Оборудование для видеонаблюдения
          • Тепловизоры
        • Видеонаблюдение
        • Оборудование для маломерных судов | ГИМС
        • Системы управления безэкипажными катерами
        • Блоки питания | Российские
        • Электрооборудование
          • Назад
          • Электрооборудование
          • Распределительные щиты
          • Блоки питания и преобразователи
          • Зарядные устройства
          • Аккумуляторные батареи (АКБ)
          • Коробки, разъемы, кабельная продукция
          • Распределители и преобразователи данных
        • Судовая автоматика
          • Назад
          • Судовая автоматика
          • Система контроля расхода топлива (СКРТ)
          • Судовая сигнализация
          • Судовые компьютеры и моноблоки
          • Управление судовыми системами
          • Судовые кренометры
        • Морская акустика
          • Назад
          • Морская акустика
          • Динамики
          • Морские магнитолы
          • Акустические системы
          • Коаксиальные колонки
          • Усилители
          • Сабвуферы
          • Аксессуары
        • Спасательные средства
          • Назад
          • Спасательные средства
          • Плоты
          • Жилеты
          • Круги
          • Гидрокостюмы
          • Прочее
        • Дополнительное оборудование для судов
          • Назад
          • Дополнительное оборудование для судов
          • Досмотровое оборудование
      • Проектирование и монтаж
        • Назад
        • Проектирование и монтаж
        • Монтаж и пусконаладочные работы
          • Назад
          • Монтаж и пусконаладочные работы
          • Оборудование ГМССБ (GMDSS)
          • Навигационное оборудование
          • Судовая автоматика
          • Технические средства обеспечения транспортной безопасности (ТС ОТБ)
          • Судовые сигнальные средства
          • Внутрисудовая связь и трансляция
          • Спутниковый и мобильный Интернет
          • Спутниковое и эфирное телевидение
          • Радиосвязь
          • Программирование АРБ
        • Проектирование
          • Назад
          • Проектирование
          • Предпроектное обследование
          • Разработка проектной документации
          • Согласование проектной документации
        • Сервисное обслуживание и ремонт
          • Назад
          • Сервисное обслуживание и ремонт
          • Береговое техническое обслуживание (БТО)
          • Проведение испытаний оборудования
          • Обслуживание | ремонт
        • Техническая поддержка, обучение
          • Назад
          • Техническая поддержка, обучение
          • Техническая поддержка
          • Обучение
          • Авторизированное обучение JRC
        • Поиск судна по АИС MarineTraffic
          • Назад
          • Поиск судна по АИС MarineTraffic
          • Поиск судна по АИС MarineTraffic
      • Решения
        • Назад
        • Решения
        • Референсы
      • Документы
      • Бренды
      • Вакансии
      • Контакты
      • Личный кабинет
      • 8 800 333 70 71Бесплатный звонок
        • Назад
        • Телефоны
        • 8 800 333 70 71Бесплатный звонок
        • info@seacomm.ru
        • +7 (812) 309-39-15
        • Написать в ТГ
        • Написать в MAX
        • Пн-Пт с 02:00 до 18:00
      Контактная информация
      Санкт-Петербург, Двинская улица, д.12
      info@seacomm.ru
      • Вконтакте
      • Telegram
      • RuTube
      • Дзен
      • MAX

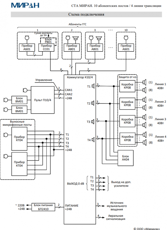
      СТА МИРАН. 10 абонентский пост 4 линии трансляции

      Главная
      —
      Документация
      —
      Чертежи и схемы
      —СТА МИРАН. 10 абонентский пост 4 линии трансляции

      31-08-2022
      Current View
      Current View

      Enter the password to open this PDF file:

      File name:

      -

      File size:

      -

      Title:

      -

      Author:

      -

      Subject:

      -

      Keywords:

      -

      Creation Date:

      -

      Modification Date:

      -

      Creator:

      -

      PDF Producer:

      -

      PDF Version:

      -

      Page Count:

      -

      Preparing document for printing...
      0%
      Назад к списку

      • Сертификаты на оборудование 204
      • Руководства 80
      • Чертежи и схемы 283
        • ТСОН МИРАН
        • СТА МИРАН
        • СОФ МИРАН
        • КСМ
      • Брошюры 93
      • Новости 1248
      • Новости компании 32
      • Патенты (свидетельств о госрегистрации ПО для ЭВМ) 14
      • Референс 2
      • Сертификаты компании 34
      • Статьи 511
      • Требования законодательства 5
      ТЕСТ
      Статьи
      12 марта 2026
      ГК «Маринэк» подтвердила соответствие международным стандартам ISO 9001:2015
      3 марта 2026
      Презентация оборудования ГК «Маринэк» 2026
      30 сентября 2025
      «Маринэк» на выставке «НЕВА 2025»



      Написать в Max


      Каталог
      Акции
      Услуги
      Бренды
      Компания
      Карьера
      Контакты
      Партнеры
      Информация
      Сертификаты
      Брошюры
      Оферта
      Реквизиты
      Согласие на обработку
      Политика конфиденциальности
      Помощь
      Условия оплаты
      Условия доставки
      Гарантия на товар
      Вопросы и ответы
      8 800 333 70 71
      8 800 333 70 71Бесплатный звонок
      info@seacomm.ru
      +7 (812) 309-39-15
      Написать в ТГ
      Написать в MAX
      Пн-Пт с 02:00 до 18:00
      info@seacomm.ru
      Санкт-Петербург, Двинская улица, д.12
      • Вконтакте
      • Telegram
      • RuTube
      • Дзен
      • MAX
      Данный Интернет-сайт носит исключительно информационный характер и ни при каких условиях не является публичной офертой, определяемой положениями Статьи 437 Гражданского кодекса Российской Федерации. Для получения подробной информации о стоимости, наличии и характеристиках оборудования обращайтесь в группу компаний «Маринэк».
      2026 © ООО Маринэк

      Мы используем файлы cookie, чтобы улучшить работу сайта. Продолжая использовать сайт, вы соглашаетесь на обработку файлов cookie и c Политикой обработки персональных данных.