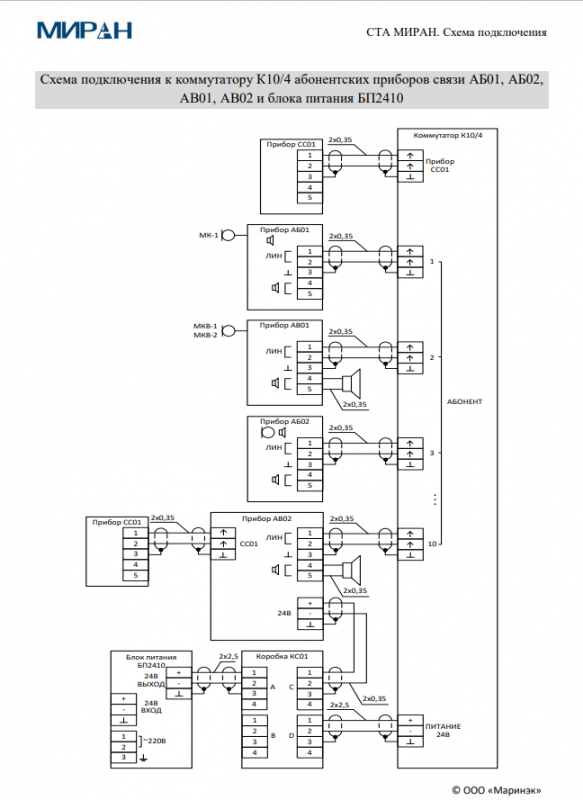
Схема подключения к коммутатору К10/4 абонентских приборов связи АБ01, АБ02, АВ01, АВ02
31-08-2022
СТА МИРАН
Схема подключения к коммутатору К10/4 приборов АБ01, АБ02, АВ01, АВ02
Схема подключения к коммутатору К10/4 приборов АБ01, АБ02, АВ01, АВ02

