Электронная картографическая навигационная информационная система «МИРАН-НС03» (ЭКНИС)
Электронная картографическая навигационная информационная система «МИРАН-НС03» (далее по тексту - ЭКНИС) предназначена для обеспечения навигации морских судов и судов смешанного «река-море» плавания с использованием актуальных официальных (государственных) электронных навигационных карт (ЭНК), издаваемых гидрографическими службами или другими государственными институтами, уполномоченными Правительствами государств.
Система «МИРАН-НС03» имеет модульную архитектуру, обеспечивающую гибкость конфигурировании под конкретные требования судна. Ядро системы соответствует международным стандартам (таким как IEC 61174). ПО «АРКТИКА» отвечает:
- За предварительную проработку перехода;
- За расчет и отображения текущих параметров рейса относительно плановых значений, выработки сообщений, предупреждений и сигналов тревоги при наступлении условий, предусмотренных стандартами для ЭКНИС;
- За анализ выполненных рейсов;
- За управление коллекцией электронных навигационных карт (ЭНК).
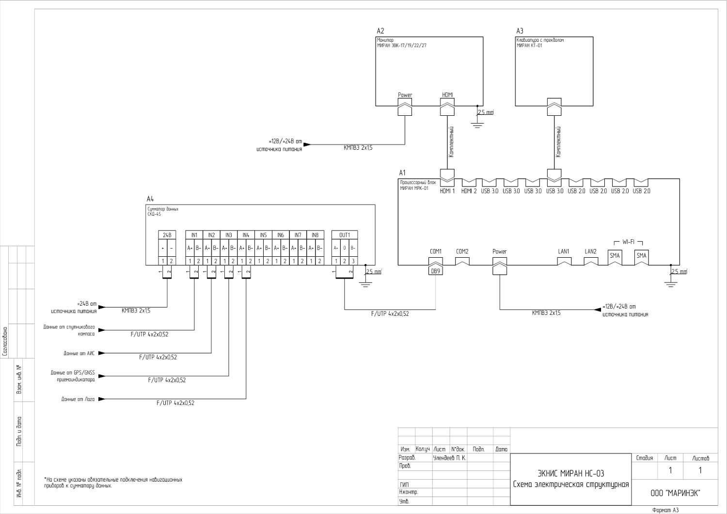
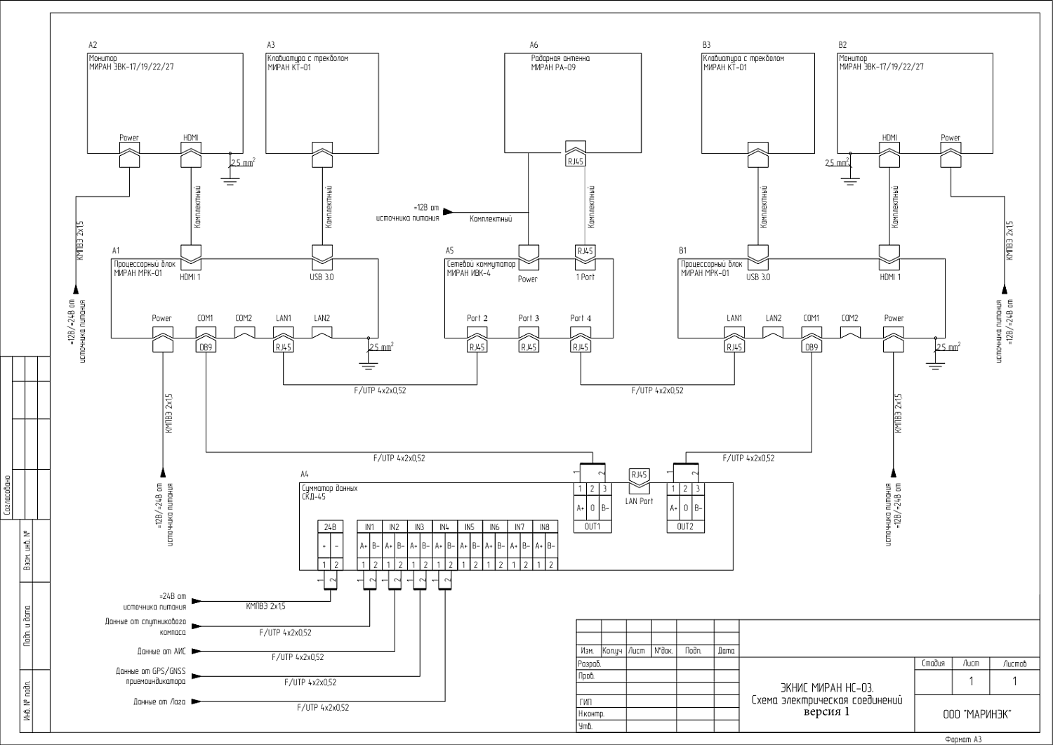
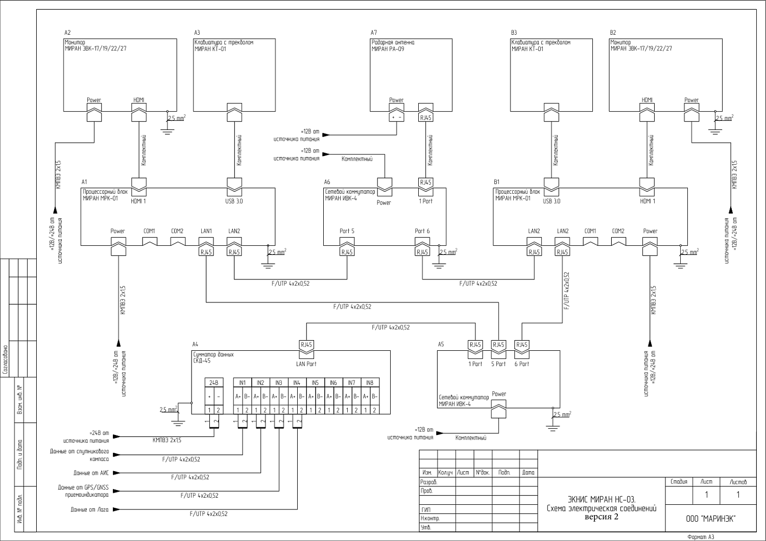
Центральный узел ЭКНС (электронная картографическая навигационная система) - универсальный компьютер «МИРАН МРК-01». Это высокопроизводительное устройство, которое агрегирует данные от всех внешних навигационных датчиков (GPS/ГЛОНАСС приемников, РЛС, Эхолотов и др.) и выполняет все необходимые вычислительные операции.
Интерфейс пользователя представлен мониторами серии «МИРАН ИВМ». Пользователь взаимодействует с системой через широкий ряд мониторов (доступны варианты от 19 до 32 дюймов: ИВМ-19ЖК, ИВМ-24ЖК, ИВМ-27ЖК, ИВМ-32ЖК), обеспечивающих четкое отображение картографической информации.
Специализированная клавиатура МИРАН КТ-01 с интегрированным трэкболом предназначена для интуитивно понятного и быстрого управления функциями ПО «АРКТИКА», включая масштабирование, ввод данных и работу с меню.
Опционально предусмотрена возможность установки оборудования на специальную стойку СТ-3.
Компьютер «МИРАН МРК-01» разработан с акцентом на производительность, надежность и низкое энергопотребление. Оснащен современным процессором Intel® Core™ и поддерживает до 32 ГБ оперативной памяти DDR4. Это обеспечивает быструю отрисовку сложных векторных карт и одновременную обработку потоков данных от нескольких датчиков.
Устройство имеет гибкую конфигурацию накопителей: отсек для 2.5-дюймового SATA HDD и интерфейс M.2 для SSD, обеспечивая высокую скорость доступа к картографической базе.
Компьютер работает под управлением Linux, что известно своей стабильностью и безопасностью в промышленных и морских применениях. BIOS поддерживает функции, критичные для морского оборудования, такие как загрузка по расписанию и бездисковая загрузка.
Оснащен богатым набором портов: 4xUSB 3.0, 2xCOM (RS-232/485) для подключения всего спектра навигационных датчиков, и 2xHDMI для вывода видеосигнала.
Корпус выполнен из алюминиевого сплава с безвентиляторной системой рассеивания тепла (пассивное охлаждение), что исключает попадание пыли и снижает вероятность отказа механических частей. Габариты (240x133x68 мм) и масса (до 1.79 кг) компактны.
Система рассчитана на работу в диапазоне температур от -10°С до +55°С и имеет степень защиты IP22. Питание осуществляется от бортовой сети 12/24В.
Мониторы разработаны для обеспечения максимальной читаемости в условиях мостика. Модели ЖК имеют соотношение сторон 4:3/16:9 и используют IPS матрицу. Это подтверждает широкие углы обзора 170°/170° и высокую цветопередачу (16.7M цветов). Яркость в 250 кд/м² и высокий контраст (1000:1) позволяют комфортно работать при дневном свете.
Монитор также рассчитан на питание 12-24В, имеет степень защиты IP22 и рабочий температурный диапазон от -10°С до +55°С.
ЭКНИС «МИРАН-НС03» представляет собой целостное, надежное и высокотехнологичное навигационное решение. Оно полностью адаптировано под нужды российского и международного судоходства.
Сферы применения ЭКНИС
- Морское судоходство. Это основная сфера применения ЭКНИС. Использование ПО «АРКТИКА» для детального планирования перехода, включая расчет времени, учет приливов/отливов и интеграцию с системами планирования генеральных маршрутов.
- Суда смешанного «Река-Море» плавания. Особая ценность «МИРАН-НС03» заключается в его применимости на судах, работающих в смешанном бассейне. Способность корректно обрабатывать и отображать различные форматы и проекции карт, характерные для морской и речной гидрографии.
- Специализированный и служебный флот. Высокая надежность оборудования, подтвержденная сертификацией (вибростойкость V1, ударопрочность G3, широкий температурный диапазон), делает «МИРАН-НС03» идеальным выбором для использования системы. Подойдёт для точного позиционирования при ведении промысловой деятельности и безопасного подхода к портам.
Причины купить ЭКНИС
- Соответствие Российским и международным стандартам
- Автоматический расчет зон навигационной безопасности: при планировании рейса и при ведении исполнительной прокладки
- Наличие функции опасной изобаты и опасной глубины с учетом колебания уровня моря - Under Keel Clearence
- Сертифицированное Российское ПО
- Чёткое отображение картографической информации
- Большой выбор мониторов МИРАН ИВМ-ЖК
- Оснащен широким набором портов: 4xUSB 3.0, 2xCOM (RS-232/485) для подключения всего спектра навигационных датчиков, и 2xHDMI для вывода видеосигнала
- Прочный корпус оборудования
- Широкий диапазон рабочих температур комплекса
|
Процессор
|
Процессор Intel®Core™ i5 8-го поколения |
|
Память
|
Слот памяти DDR4, поддерживает до 32 ГБ |
|
Жесткий диск
|
1 отсек для 2,5-дюймового жесткого диска SATA, 1 интерфейс твердотельного накопителя M.2 |
|
Видеокарта
|
Интегрированное графическое ядро Intel® HD Graphics серии HD |
|
Сеть
|
2*RTL8111H гигабитная сетевая карта, 1*интерфейс MINI-PCIE, поддерживает связь 2,4G/5G WIFI |
|
Аудио
|
Чип Realtek ALC |
|
Интерфейс дисплея
|
2*HDMI (или VGA+HDMI) |
|
Система
|
Linux |
|
BIOS
|
Поддерживает включение питания, загрузку по расписанию, пробуждение по сети и бездисковую загрузку. |
|
Интерфейс
|
4*USB3.0, 4*USB2.0, интерфейс питания, 2*сетевой интерфейс, 2*HDMI, аудиоинтерфейс, 2*интерфейс WiFi, 2*COM (RS-232/485) |
|
Габариты
|
240*133*68mm |
|
Способ установки
|
Настольный, настенный, встраиваемый |
|
Корпус
|
Алюминиевый сплав, безвентиляторное рассеивание тепла. Цвет - чёрный |
|
Питание
|
12/24В |
|
Степень защиты
|
IP22 |
|
Масса не более
|
1,79 кг |
|
Диапазон рабочих температур
|
-10°С…+55°С |
|
МИРАН ИВМ-19ЖК
|
|
|
Диагональ
|
19" |
|
Активная область, мм
|
376.32(W)×301.056(H) |
|
Соотношение сторон
|
4:3 |
|
Тип матрицы
|
IPS |
|
Разрешение
|
1280×1024 |
|
Цвета
|
16.7M |
|
Шаг пикселя, мм
|
0.294(H)×0.294(V) |
|
Регулировка контрастности, цвета и яркости изображения
|
Да |
|
Регулировка яркости от «полностью черного» до 100% яркости экрана
|
Да |
|
Яркость
|
250кд/м2 |
|
Контраст
|
1000:1 |
|
Углы обзора
|
170 по горизонтали/ 170 по вертикали |
|
Время отклика
|
5мс |
|
Напряжение питания, В
|
12-24 |
|
Потребляемая мощность не более, Вт
|
60 |
|
Степень защиты
|
IP22 |
|
Масса не более
|
4,59 кг |
|
Диапазон рабочих температур
|
-10°С…+55°С |
|
МИРАН ИВМ-24ЖК
|
|
|
Диагональ
|
23.8" |
|
Активная область, мм
|
527.04(W)×296.46(H) |
|
Соотношение сторон
|
16:9 |
|
Тип матрицы
|
IPS |
|
Разрешение
|
1920×1080 |
|
Цвета
|
16.7M |
|
Шаг пикселя, мм
|
0.2745(H)×0.2745(V) |
|
Регулировка контрастности, цвета и яркости изображения
|
Да |
|
Регулировка яркости от «полностью черного» до 100% яркости экрана
|
Да |
|
Яркость
|
250кд/м2 |
|
Контраст
|
1000:1 |
|
Углы обзора
|
178° по горизонтали/ 178° по вертикали |
|
Время отклика
|
14мс |
|
Напряжение питания, В
|
12-24 |
|
Потребляемая мощность не более, Вт
|
30 |
|
Степень защиты
|
IP22 |
|
Масса не более
|
6 кг |
|
Диапазон рабочих температур
|
-10°С…+55°С |
|
МИРАН ИВМ-27ЖК
|
|
|
Диагональ
|
27" |
|
Активная область, мм
|
597.6(W)×336.15(H) |
|
Соотношение сторон
|
16:9 |
|
Тип матрицы
|
IPS |
|
Разрешение
|
1920×1080 |
|
Цвета
|
16.7M |
|
Шаг пикселя, мм
|
0.311(H)×0.311(V) |
|
Регулировка контрастности, цвета и яркости изображения
|
Да |
|
Регулировка яркости от «полностью черного» до 100% яркости экрана
|
Да |
|
Яркость
|
250кд/м2 |
|
Контраст
|
3000:1 |
|
Углы обзора
|
178 по горизонтали/ 178 по вертикали |
|
Время отклика
|
12мс |
|
Напряжение питания, В
|
12-24 |
|
Потребляемая мощность не более, Вт
|
35 |
|
Степень защиты
|
IP22 |
|
Масса не более
|
6,65 кг |
|
Диапазон рабочих температур
|
-10°С…+55°С |
|
МИРАН ИВМ-32ЖК
|
|
|
Диагональ
|
32" |
|
Активная область, мм
|
698.4(W)×392.85(H) |
|
Соотношение сторон
|
16:9 |
|
Тип матрицы
|
IPS |
|
Разрешение
|
1920×1080 |
|
Цвета
|
16.7M |
|
Шаг пикселя, мм
|
0.51075(H)×0.51075(V) |
|
Регулировка контрастности, цвета и яркости изображения
|
Да |
|
Регулировка яркости от «полностью черного» до 100% яркости экрана
|
Да |
|
Яркость
|
250кд/м2 |
|
Контраст
|
1200:1 |
|
Углы обзора
|
178° по горизонтали/ 178° по вертикали |
|
Время отклика
|
12мс |
|
Напряжение питания, В
|
12-24 |
|
Потребляемая мощность не более, Вт
|
45 |
|
Степень защиты
|
IP22 |
|
Масса не более
|
6,65 кг |
|
Диапазон рабочих температур
|
-10°С…+55°С |
|
Клавиатура с трэкболом МИРАН КТ-01
|
|
|
Входное напряжение, В
|
5 |
|
Электрический ток, мА
|
10 |
|
Интерфейс
|
USB или PS/2 |
|
Степень защиты
|
IP44 |
|
Масса не более
|
2,04 кг |
|
Диапазон рабочих температур
|
-10°С…+55°С |
* - Обращаем ваше внимание! Оборудование под брендом МИРАН имеют право устанавливать специалисты группы компаний «Маринэк», а также специалисты аккредитованных сервисных компаний. ГК «Маринэк» не несет ответственности за возможные неисправности оборудования под брендом МИРАН, которые могут возникнуть вследствие монтажа, пусконаладочных работ и/или других сервисных работ, производимых неаккредитованными компаниями.
Все технические специалисты «Маринэк» имеют необходимые допуски и аккредитацию для осуществления необходимых сервисных работ и гарантируют работоспособность устанавливаемого оборудования МИРАН, произведенное группой компаний «Маринэк».
* - Технические характеристики зависят от комплектации устройства.
Изготовитель оставляет за собой право вносить изменения в конструкцию, не влияющие на правила и условия эксплуатации, без отражения в документации. Актуальную техническую информацию уточняйте у менеджеров группы компаний "Маринэк" на info@seacomm.ru
Комплектация ЭКНИС МИРАН НС-03
- Монитор «МИРАН ИВМ-19ЖК / ИВМ-22ЖК / ИВМ-24ЖК / ИВМ-27ЖК / ИВМ-32ЖК»;
- Универсальный компьютер «МИРАН МРК-01» с установленным программным обеспечением «АРКТИКА»;
- Клавиатура с трэкболом «МИРАН КТ-01»;
- Стойка для размещения оборудования СТ-3 (опция).



