Абонентский прибор громкоговорящей связи МИРАН АБ01
Прибор АБ01 аппаратуры судовой связи и трансляции МИРАН СТА производства группы компании «Маринэк» представляет собой устройство, предназначенное для организации односторонней (симплексной) громкоговорящей связи в составе системы судовой коммуникации. Прибор обеспечивает прием аудиосигналов от центрального поста и их воспроизведение, а также возможность передачи речевых сообщений на центральный пост.
АБ01 – прибор абонента громкоговорящей связи, являющийся составной частью аппаратуры МИРАН СТА, предназначен для организации односторонней связи (приема и передачи) между абонентом и центральным постом системы.
Есть возможность подключения внешнего рупорного громкоговорителя типа 10ГРП-1 мощностью до 10 Вт для повышения уровня громкости в условиях повышенного шума.
Передача речевых сообщений на центральный пост производится посредством внешнего брызгозащищенного микрофона (приобретается отдельно). Отображение состояния питания прибора происходит с помощью светодиодного индикатора.
Также есть возможность управления режимами приема и передачи с тангенты микрофона (нажатие тангенты активирует передачу, отпускание – прием). Конструкция прибора обеспечивает удобство подключения и простоту технического обслуживания.
Металлический корпус квадратного сечения обеспечивает механическую прочность и защиту внутренних компонентов от внешних воздействий. На передней панели расположены отверстия для выхода звука из громкоговорителя, светодиодные индикаторы питания и работы в линии. А также разъем для подключения микрофона. Модульная компоновка упрощает ремонт и замену компонентов при необходимости.
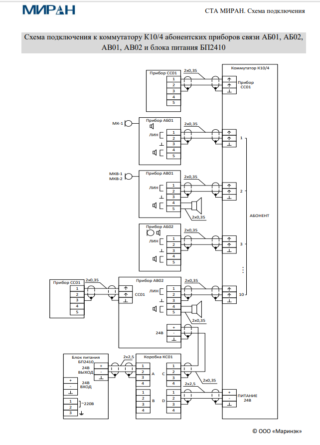
Подключение прибора АБ01 осуществляется в соответствии со схемой подключения, приведенной в руководстве по эксплуатации аппаратуры МИРАН СТА. Для подключения используются стандартные разъемы и кабели, обеспечивающие надежное и долговечное соединение.
При эксплуатации прибора АБ01 необходимо соблюдать следующие требования:
- Эксплуатировать прибор в соответствии с указанными в технических характеристиках температурными и влажностными режимами;
- Не допускать механических повреждений корпуса и разъемов;
Прибор АБ01 МИРАН СТА соответствует требованиям Российского Классификационного Общества (РКО), Российского Морского Регистра Судоходства (РМРС) и СТиС МВД РФ. Это подтверждается соответствующими сертификатами. Отечественная разработка полностью соответствует внутрироссийским запросам на подобное оборудование.
Сферы применения МИРАН АБ01
- Морские и речные суда. Абонентский прибор в составе СТА позволяет организовать громкоговорящую связь на судах любой поднадзорности.
Причины купить абонентский прибор ГГС
- Сертификаты РМРС, РКО, СТ-1
- Устойчивость к воздействию соляного (морского) тумана
- Индикация наличия питания
- Встроенные микрофон и громкоговоритель
- Управление трактом передачи кнопкой на передней панели
|
Назначение
|
Прибор абонента громкоговорящей связи |
|
Степень защиты
|
IP44 |
|
Категория размещения
|
2, 3, 4 |
|
Габаритные размеры (длина х ширина х высота)
|
115 х 145 х 80 мм |
|
Масса
|
1 кг |
|
Цвет
|
Серый |
|
Материал корпуса
|
Металл |
|
Диапазон рабочих температур
|
От -40°С до +55°С |
|
Соответствие РКО
|
Да |
|
Соответствие РМРС
|
Да |
|
Возможность подключения брызгозащищенного микрофона
|
Да |
|
Встроенный громкоговоритель
|
Да |
|
Управление трактом передачи тангентой внешнего микрофона
|
Да |
|
Индикация наличия питания
|
Да |
|
Индикация работы в линии
|
Да |
|
Входное напряжение с микрофона
|
4 мВ |
|
Напряжение в тракте передачи
|
780 мВ |
|
Напряжение в тракте приема
|
30 В |
|
Ток вызова
|
5 мА |
|
Мощность громкоговорителя приема
|
2 Вт |
|
Устойчивость к воздействию соляного (морского) тумана
|
Да |
|
Производитель
|
ГК «Маринэк» |
* - Обращаем ваше внимание! Оборудование под брендом МИРАН имеют право устанавливать специалисты группы компаний «Маринэк», а также специалисты аккредитованных сервисных компаний. ГК «Маринэк» не несет ответственности за возможные неисправности оборудования под брендом МИРАН, которые могут возникнуть вследствие монтажа, пусконаладочных работ и/или других сервисных работ, производимых неаккредитованными компаниями.
Все технические специалисты «Маринэк» имеют необходимые допуски и аккредитацию для осуществления необходимых сервисных работ и гарантируют работоспособность устанавливаемого оборудования МИРАН, произведенное группой компаний «Маринэк».
* - Технические характеристики зависят от комплектации устройства.
Изготовитель оставляет за собой право вносить изменения в конструкцию, не влияющие на правила и условия эксплуатации, без отражения в документации. Актуальную техническую информацию уточняйте у менеджеров группы компаний "Маринэк" на info@seacomm.ru
- Абонентский прибор громкоговорящей связи МИРАН АБ01.
Оплата
Доставка
Документы



.png)