Коммутатор К10/4 аппаратуры связи МИРАН СТА
Коммутатор К10/4 входит в состав разработанной группой компаний «Маринэк» аппаратуры судовой связи и трансляции МИРАН СТА. Коммутатор действует в составе главного микрофонного поста, позволяя организовать 10 направлений громкоговорящей связи, 4 линии трансляции. Предназначен для навесного монтажа и соответствует степени защиты IP44. Коммутатор может устанавливаться под навесами, в закрытых и сухих отапливаемых помещениях.
К10/4 - основной элемент системы связи и трансляции. Содержит функциональные узлы для приема, передачи, усиления и коммутации сигналов со всех подключенных к нему приборов. Питание коммутатора аппаратуры МИРАН СТА осуществляется напряжением 24В. Устройство обеспечивает возможность ведения командных передач с центрального пульта П10/4, позволяя создавать приоритеты трансляционных линий.
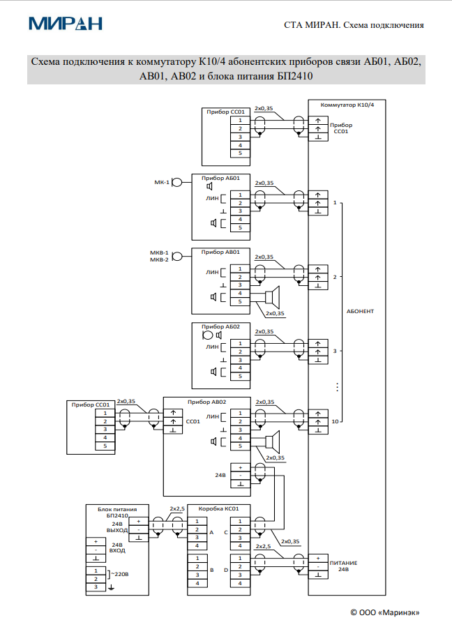
К коммутатору подключаются:
- Выносные командные микрофонные посты.
- Абонентские приборы симплексной громкоговорящей связи АБ01-02 и АВ01-02.
- Система авральной сигнализации.
- Источник широковещательных передач.
- Дополнительные трансляционные усилители.
- Блок питания БП2410.
Возможность звукового контроля прохождения сигналов трансляции в каждой линии обеспечивает блок АК04. Основные параметры работы коммутатора отображает световая индикация на внешней панели прибора.
СТА МИРАН предназначена для организации внутрисудовой двухсторонней связи, командной и широковещательной трансляции. Поддерживает служебные каналы связи, трансляцию оповещений, позволяя организовать несколько постов. Гибкая конфигурация позволяет устанавливать систему на различных морских и речных судах.
Сферы применения коммутатора К10/4
- Морские и речные суда. В составе СТА коммутатор позволяет организовать громкоговорящую связь на судах любой поднадзорности.
Причины купить коммутатор
- Простота установки и эксплуатации.
- Возможность поддержки симплексной громкоговорящей связи и трансляции голосовых сообщений.
- Возможность организовать 10 направлений громкоговорящей связи, 4 линии трансляции.
- Сертификаты РМРС, РКО, СТ-1
- Отечественный производитель
|
Тип
|
Коммутатор |
|
Модель
|
К10/4 |
|
Тип поддерживаемой связи
|
Симплексная ГГС |
|
Составность
|
Часть аппаратуры судовой связи и трансляции МИРАН СТА |
|
Поддерживаемые направления
|
10 направлений громкоговорящей связи, 4 линии трансляции |
|
Размеры
|
200х300х155 мм |
|
Размеры с учетом кабельных входов
|
230х300х155 мм |
|
Вес
|
10 кг |
|
Степень защиты
|
IP44 |
|
Установка
|
Под навесами, в закрытых и сухих отапливаемых помещениях |
|
Сертификат РМРС
|
Имеется |
|
Сертификат РКО
|
Имеется |
|
Сертификат происхождения товара СТ-1
|
Имеется |
|
Цвет
|
Серый |
|
Тип монтажа
|
Навесной |
|
Индикация
|
Световая |
|
Сфера применения
|
Морские и речные суда различного типа |
|
Бренд
|
МИРАН |
|
Производитель
|
Группа компаний «Маринэк» |
|
Страна происхождения
|
Россия |
* - Обращаем ваше внимание! Оборудование под брендом МИРАН имеют право устанавливать специалисты группы компаний «Маринэк», а также специалисты аккредитованных сервисных компаний. ГК «Маринэк» не несет ответственности за возможные неисправности оборудования под брендом МИРАН, которые могут возникнуть вследствие монтажа, пусконаладочных работ и/или других сервисных работ, производимых неаккредитованными компаниями.
Все технические специалисты «Маринэк» имеют необходимые допуски и аккредитацию для осуществления необходимых сервисных работ и гарантируют работоспособность устанавливаемого оборудования МИРАН, произведенное группой компаний «Маринэк».
* - Технические характеристики зависят от комплектации устройства.
Изготовитель оставляет за собой право вносить изменения в конструкцию, не влияющие на правила и условия эксплуатации, без отражения в документации. Актуальную техническую информацию уточняйте у менеджеров группы компаний "Маринэк" на info@seacomm.ru
Базовая комплектация
Коммутатор К10/4 аппаратуры судовой связи и трансляции МИРАН СТА – 1 шт.




